Caldwell Model GC Girder Clamps
PRODUCT FEATURES:
- Available in 15, 20 & 25 ton Capacity
-
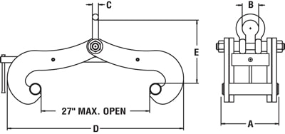
These GC Clamps provide an efficient method for handling wide flange beam sections and plate girders.
-
Screw-spindle design ensures positive grip.
-
Simple design ensures minimum maintenance.
-
Left-hand thread and right-hand thread screw spindle allows for rapid clamping and unclamping.
-
Jaw opening adjusts to a wide range of beam types and flange widths.
-
Use only for vertical lifting.
- Complies with ASME standards.
- USA MADE
Please email for current pricing and lead time





